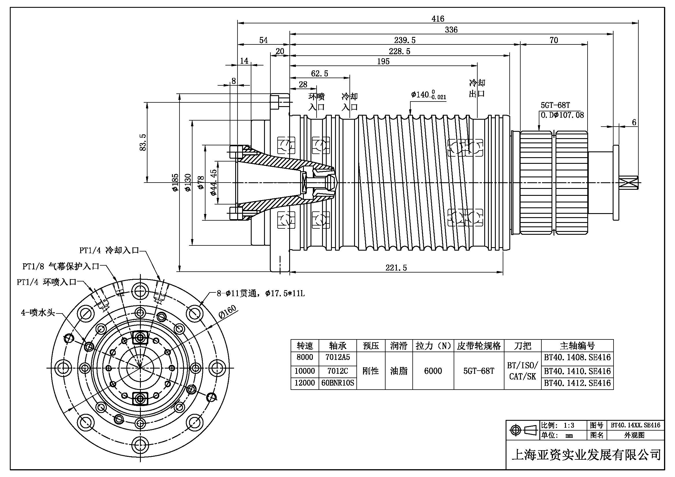
上海亞資實業發展有限公司

主轴
  1. 皮帶式BT40-140-416
  2. 414SE416

皮帶式BT40-140-416

  • 產品分類機床配件
  • 產品型號BT40-140
  • 品牌臺大
  • 原產地區臺灣
  • 銷售方式出口、製造、合作、服務各地經銷商、辦事處
  • 產品資料詳細見圖紙

    產品特性

    PRODUCT FEATURES