上海亞資實業發展有限公司

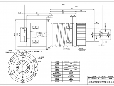
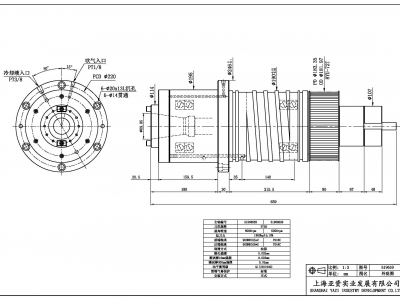
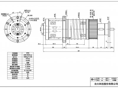
主轴
  1. 皮帶式BT50-190-659
  2. 519659
  3. 519C659
  4. 519E659
  5. 519F659

皮帶式BT50-190-659

  • 產品分類機床配件
  • 產品型號BT50-190-659
  • 品牌臺大
  • 原產地區臺灣
  • 銷售方式出口、製造、合作、服務各地經銷商、辦事處
  • 產品資料詳細見圖紙

    產品特性

    PRODUCT FEATURES